Energía confiable a bordo: controla armónicos y maximiza el rendimiento naval
En el sector naval, la eficiencia y la fiabilidad son esenciales. Los variadores de frecuencia optimizan consumos y controlan bombas, ventilación y propulsión, pero generan armónicos que pueden afectar la calidad de la energía y la seguridad de los sistemas críticos. Mitigarlos es clave para mantener operaciones seguras y eficientes a bordo. En este artículo, el primero de una serie sobre soluciones eléctricas para el sector naval, exploramos cómo proteger equipos, asegurar el cumplimiento normativo y maximizar el rendimiento del buque.

Calidad de energía: Problemática de armónicos en variadores de velocidad
Índice
1. Introducción
Los variadores o convertidores de frecuencia son equipos para regular la velocidad de giro de los motores eléctricos. Por sus siglas en inglés, solemos referirnos al variador de frecuencia como VFD (variable frequency drive), que se traduciría literalmente como “regulador/variador de frecuencia variable”.
A pesar de ello, también están presentes en el mercado otras acepciones como puede ser VSD (variable speed drive o regulador de velocidad variable) o ASD (adjustable speed drive, conocido como “accionamiento de velocidad variable”.
Regulando la frecuencia de la forma de onda que recibe el motor, el variador de frecuencia consigue ofrecer a este motor la potencia demandada, evitando así la pérdida de energía, o lo que es lo mismo, optimizando el consumo.
Así pues, los variadores de frecuencia, permiten entre otras cosas:
- Mejorar el control de procesos
- Reducir el consumo de energía y generarla de forma eficiente
- Disminuir el estrés mecánico en las aplicaciones de control de motores
- Optimizar el funcionamiento de una serie de aplicaciones que dependen de motores eléctricos
2. Funcionamiento
El convertidor de frecuencia se compone de dos módulos montados, generalmente, en una misma envolvente: un módulo de control que controla el funcionamiento y un módulo de potencia que alimenta el motor con energía eléctrica.
Atendiendo a estos dos módulos, el proceso de transformación de frecuencia consta, de cuatro partes: (a excepción de los cicloconvertidores donde se transforma directamente la CA de frecuencia constante polifásica en CA de frecuencia variable trifásica sin pasar por una etapa de rectificación a CC)
- Etapa rectificadora: Se convierte la corriente alterna de la red eléctrica en corriente continua. Este es el primer paso del proceso y se lleva a cabo mediante un rectificador de diodos.
- Etapa intermedia: Se filtra la tensión rectificada
- Inversor: Se convierte de nuevo la corriente continua en corriente alterna mediante la generación de impulsos. Así es como realmente el motor recibe el suministro ajustado a las necesidades de frecuencia y voltaje adecuados.
- Etapa de control: en esta etapa se controlan los pulsos variables de tensión y frecuencia y, en general, se controlan los parámetros externos
3. Aplicaciones de los convertidores de frecuencia
Los convertidores de frecuencia son muy comúnmente utilizados en la industria y los encontramos en una gran variedad de aplicaciones.
En la sala de máquinas, los podemos encontrar para el control de bombas de vacío, trasiego, sentina, bombas de prelubricación en los motores principales e infinidad de circuitos.
Además, a gran escala son utilizados también para el control de las hélices laterales, así como de la propulsión en los buques de propulsión eléctrica.

4. Tipos
Los convertidores actuales se pueden clasificar en los siguientes tipos:
- VSI: Convertidores en fuente de tensión constante en la etapa DC. Normalmente aplicado a motores asíncronos, pero también puede ser utilizado para motores síncronos y síncronos de imanes permanentes.
- CSI: Convertidores en fuente de corriente constante en la etapa DC. Normalmente aplicado a motores síncronos.
- Cicloconvertidores: Normalmente aplicado a motores síncronos de muy alta potencia.
- AFE: convertidores “Active Front End”.
- SCR-DC: Convertidores “Silicon Controlled Rectifier” para aplicaciones en CC.
Los convertidores VSI son los más utilizados hoy en día, seguidos de los CSI y los cicloconvertidores.
Los convertidores AFE utilizan una tecnología de reciente implantación, y tienen un campo de aplicación en potencia y tensión más limitado que los anteriores, con lo cual su uso está aún menos extendido que el de los CSI y VSI.
Los SCR son de uso específico para CC.
5. Gamas
5.1. SCHNEIDER ELECTRIC
Variadores de velocidad y arrancadores para las soluciones de control de motor hasta 20MW.
Gran variedad de gamas para cada tipo de solución y aptas para el medio marino con certificación naval DNV, BV LRS, ABS, RMRS.

5.1.1. Variadores de velocidad de baja tensión orientados a procesos
Altivar Process ATV600
Variador de velocidad con servicios integrados, conectividad y funciones de aplicación dedicadas íntegramente a la gestión de fluidos.
Totalmente enfocado a aplicaciones como bombas, ventiladores, compresores en el proceso de la industria.
Ideal para aplicaciones marinas e instalaciones de clima. Desde 0,75kW hasta 1.200kW.
Altivar Process ATV900
Variadores Altivar Process gama ATV900 con servicios integrados, muy altas prestaciones de control motor para aplicaciones muy exigentes de demanda de par propias del ámbito portuario, como pueden ser: cintas transportadoras, machacadoras, grúas, y más aplicaciones. Desde 0,75 kW a 1.200 kW.
5.1.2. Variadores de velocidad BT orientados a máquinas
Altivar 12
Variador de velocidad ATV12 de la plataforma Altivar Machine diseñado para máquinas pequeñas en alimentación monofásica y trifásica a 230V para control de motores trifásicos asíncronos, que se requieran cumplimientos de CEM hasta categoría C1.
Altivar 320
Altivar ATV320 es un variador de velocidad multiplicativo destinado a motores asíncronos y síncronos trifásicos de 0,18 a 15 kW.
Altivar Máquina ATV340
Altivar Máquina ATV340, variador diseñado para OEMs que permite aplicaciones de altas prestaciones para motores trifásicos en lazo abierto o cerrado desde 0,75Kw hasta 75kW.
5.2. SIEMENS
5.2.1. SINAMICS
Estos convertidores de frecuencia con y sin recuperación de energía son adecuados para una amplia gama de aplicaciones.

Pequeñas y medianas potencias 0.05 kW-30 kW
Gama estándar de convertidores para uso en: Bombas, ventiladores, compresores, sistemas de ventilación, etc.
Pequeñas y medianas potencias 0.37kW-6600kW
Convertidores para motores más exigentes y de mayores potencias como bombas de trasiego, contraincendios, etc.
Grandes potencias hasta 85MW
Predestinados para aplicaciones mono y multieje sofisticadas en máquinas y plantas, especialmente usados en regulación de propulsores marinos.
6. Problemática
Los dispositivos como los que hemos visto generan corrientes alterna en forma de onda cuadrada. Estos tipos de inversores generan un amplio espectro de armónicos creando perturbaciones alrededor del variador de frecuencia.
Los efectos principales de los armónicos son los siguientes:
- Calentamientos en máquinas y cableado que aceleran los fenómenos de envejecimiento.
- Sobretensiones y/o sobre corrientes cuando se producen armónicos en resonancia.
- Pérdida de precisión en los aparatos de medida.
- Falsos disparos de los elementos de protección.
- Fallos de los equipos sensibles a los armónicos.
- Interferencias electromagnéticas problemáticas (EMI) en equipos tales como sistemas de navegación, comunicación, control, etc.).
- Vibraciones y oscilaciones de par en máquinas rotativas.

7. Soluciones
Con el objetivo de mejorar la calidad de la forma de onda en la tensión alterna generada, se implementan técnicas de control de los dispositivos de electrónica de potencia, de forma que la forma de onda generada tenga un menor contenido de armónicos.
Existen varias soluciones para conseguir un menor contenido de armónicos, tanto en la alimentación aguas arriba del variador, como aguas abajo en la línea del motor.
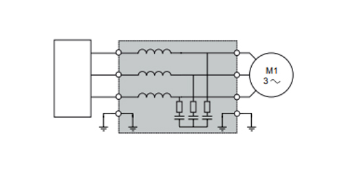
7.1. Soluciones aguas arriba
Inductancias de línea:
Principalmente, son utilizadas para:
- Proteger la electrónica de los transitorios de entrada (compañía/red) y conmutaciones en la red.
- Evitar altas corrientes de entrada y reducir la carga transitoria en los componentes de entrada
- Mejorar el factor de cresta de los VSD, reduciendo las pérdidas en la línea de entrada
- Controlar las emisiones de armónicos en la línea debidos al rectificador de entrada
- Controlar el impacto de los picos de conmutación en la alimentación
- Proteger y aumentar la vida útil de los condensadores en bus de cc de los VSD
- Reducir los fenómenos en modo diferencial de baja frecuencia hasta unos cientos de kHz
Filtros pasivos
Los filtros pasivos se utilizan para obtener una distorsión armónica total inferior al 10% o el 5%.
La potencia reactiva aumenta sin carga o con una carga baja. Para ayudar a reducir esta potencia reactiva, los condensadores del filtro pueden desconectarse.

Filtros CEM
Son filtros de entrada integrados para interferencias de radio conforme a la norma CEM. El filtro CEM integrado deriva la corriente de fuga a tierra. La corriente de fuga puede reducirse desconectando los condensadores del filtro.
7.2. Soluciones aguas abajo
Filtros dv/dt
Los filtros de salida se usan para limitar el efecto dv/dt en los terminales del motor a un máximo de 500 V/μs.

Los filtros de salida están diseñados para limitar las sobretensiones en los terminales del motor a valores inferiores a:
- 800 V con un cable apantallado de 0 a 50 m de longitud y una tensión de alimentación de 400 V
- 1000 V con un cable apantallado de 50 a 150 m de longitud y una tensión de alimentación de 400 V
- 1500 V con un cable apantallado de 150 a 300 m de longitud y una tensión de alimentación de 400 V (hasta 500 m con un cable no apantallado)
También se emplean para:
- Limitar las sobretensiones en los terminales del motor.
- Filtrar las interferencias provocadas por la apertura de un contactor situado entre el filtro y el motor.
En una aplicación con varios motores conectados en paralelo, la longitud del cable debe incluir todo el cableado. Si se utiliza un cable más largo de lo recomendado, los filtros dv/dt pueden sobrecalentarse. La frecuencia de conmutación debe ser inferior a 8 kHz.
Filtros senoidales
Los filtros senoidales permiten a los variadores funcionar con cables de motor largos:
- 500 m con un cable apantallado
- 1000 m con un cable no apantallado
La frecuencia de conmutación mínima en la que pueden funcionar los filtros senoidales es 4 kHz. La frecuencia de salida debe ser inferior a 100 Hz.
Con una carga del 100%, la caída de tensión es inferior al 8% con una frecuencia de salida de 50 Hz y una frecuencia de conmutación de 4 kHz.
Filtros de modo común
Los filtros senoidales o filtros dv/dt reducen la sobretensión en los bobinados y las intensidades de alta frecuencia en el modo diferencial. Pero no afectan a la intensidad en modo común entre las fases y la pantalla del cable, y entre los bobinados y el estátor/rotor del motor.

Los filtros de modo común aportan numerosas ventajas:
- Reducción de las interferencias de radiofrecuencia del cable de motor y mejora de la eficacia del filtro CEM para las emisiones conducidas.
- Reducción de las intensidades de alta frecuencia que circulan en los rodamientos del motor y prevención de daños en estos.
El filtro de modo común puede usarse en los terminales de salida del variador, el filtro dv/dt o el filtro senoidal.
Igualmente, aquellos cables de potencia que transporten corrientes con alto contenido de armónicos deben apantallarse con una trenza de cobre bajo la cubierta exterior o mediante una cinta de cobre.
8. Normativa
Limitaciones del contenido de armónicos por las distintas normativas aplicables.
Los niveles de distorsión armónica en la red van a depender del sistema de conversión utilizado para controlar los motores eléctricos propulsores.

Para regular el impacto de la distorsión armónica sobre la red y de esta manera asegurar la calidad de la corriente, diferentes entidades han desarrollado normativas al respecto.
Estas normativas no siguen un criterio unificado lo cual se refleja en las diferentes consideraciones y valores límites de cada una. Las normativas emitidas parten de entidades tales como, IEC, IEEE NATO y las sociedades de clasificación DNV, LRS, BV, etc.
El enfoque de las distintas normativas parece ser distinto ya que unas solo se centran en la distorsión sobre la tensión y otras también establecen límites para la distorsión en la corriente. Siendo THD(U) y THD(I) la tasa total de distorsión armónica de tensión e intensidad respectivamente.
IEC
Hace referencia a la distorsión armónica en varias de sus normas sin concentrarse en una única.
En la serie 60092, que es la serie dedicada a instalaciones en buques, en la parte 101 se citan los límites de distorsión en tensión, mientras que en la norma 60533 se expresan las medidas EMC a tomar debido a los armónicos y en la 61000 se dan los límites numéricos de la distorsión en corriente en función de la tensión nominal del sistema, la potencia aparente, la capacidad de cortocircuito y las características propias de la red (monofásica, trifásica equilibrada o desequilibrada, etc.)
DNV
Establece de forma general un THD(U) 5% como valor límite, pero si la magnitud de la carga en convertidores hace que estas cargas sean “predominantes” en la red, el límite es superior THD(U) 8%, incluso abre la puerta a aceptar valores mayores en caso de propulsión eléctrica siempre que se asegure un correcto funcionamiento de los equipos.
Para la distorsión en corriente no especifica un límite, pero sí trata las consecuencias de esta distorsión en tanto en cuanto provoca las caídas de tensión en las impedancias de la red y por tanto armónicos de tensión, sin embargo, se limita a recomendar filtros de armónicos basados en inducir armónicos contrarios a los generados.
LRS
Sólo se hace mención a armónicos en tensión dando el valor de THD(U) 8% en total y limitando los armónicos individuales de orden mayor del 25 a un valor inferior al THD(U) 1,5%.
Límites de distorsión armónica según normativas

Voltaje límite de distorsión según normativas

Corriente límite de distorsión según normativas

9. Caso real
Grupo Elektra estudió la viabilidad de implementar una solución para la reducción de distorsión armónica en una planta eléctrica de un buque.
En concreto se necesitaban incluir filtrado a 6 variadores de 155kW en 440Hz, 60Hz y red con neutro aislado.
Estos 6 variadores están alimentados por un transformador 11kV/440V, de 4000 kVA, con una Ucc=6%.
En estas condiciones, y sin solución de filtrado, en el embarrado de 440 V se produciría una alta presencia de armónicos, con una THDI(%)=28,1% y THDU(%)=6,69%, por encima de los valores recomendados por las distintas normativas comentadas anteriormente.

Como el tipo de variador es de seis pulsos, se necesita un filtrado en el 5º, 7º,11º y 13º armónico principalmente.

Se plantearon varias opciones:
- La instalación de un único filtro activo para los seis variadores
- Instalar un filtro pasivo para cada variador.
Tras la simulación, se calculó que la mejor solución era la implementación de filtros pasivos individuales.

Con la solución propuesta, se alcanzan unos parámetros de distorsión armónica aceptables: THDI(%)=3,1% y THDU(%)=1,2%.

Grupo Elektra, el partner ideal para empresas que abordan proyectos en el sector naval
Grupo Elektra es especialista en el suministro de material eléctrico en una gran variedad de productos de primeras marcas, siendo capaz de aportar soluciones para el sector naval e industria portuaria. ofreciendo, como se menciona en el presente artículo, soporte en:
- Asesoramiento en la elección de variadores de velocidad adecuados para cada tipo de aplicación.
- Análisis de los problemas derivados que puedan surgir en la instalación.
- Posibilidad de simular el proyecto con tal de verificar el cumplimiento de la normativa en relación a los armónicos.
- Propuesta de soluciones para reducir los problemas ocasionados por los armónicos en la instalación.
Grupo Elektra es, por tanto, un proveedor único de soluciones eléctricas para una amplia variedad de necesidades.
Si deseas obtener información exclusiva sobre el sector naval, haz clic en el siguiente enlace.










