Note: this content is only available in Spanish.
Protección diferencial industrial: por qué elegir el Tipo B para variadores de velocidad y cargas complejas
El uso masivo de variadores de velocidad (VSD) genera fugas de corriente continua y altas frecuencias que pueden «cegar» a los diferenciales estándar. ¿Cómo evitar riesgos y paradas intempestivas? Quim Soler, responsable de Componentes Industriales de Grupo Elektra, te explica por qué el diferencial Tipo B es la solución obligatoria para garantizar la seguridad y la eficiencia en la industria moderna.

Índice
- 1. ¿Por qué elegir la protección contra fugas a tierra tipo B para una protección segura y eficiente de las personas en el sector industrial?
- 2. El riesgo eléctrico y la fisiología humana
- 3. Marco normativo y comportamiento en frecuencia
- 4. Nuevos desafíos: cargas complejas y variadores
- 5. Tipos de interruptores diferenciales
- 6. Altas frecuencias: factores claves para la continuidad de servicio y protección
- 7. Conclusión: soluciones “superinmunizadas”
- 8. Simplifica tu elección con el Selector de Interruptores Diferenciales
1. ¿Por qué elegir la protección contra fugas a tierra tipo B para una protección segura y eficiente de las personas en el sector industrial?
El uso generalizado de variadores de velocidad (VSD) para el control de motores, plantea nuevos desafíos para la protección contra fugas a tierra.
Este artículo examina los principales tipos de tecnologías de protección contra fugas a tierra disponibles en el mercado actual y revisa las normas aplicables y el uso correcto.
2. El riesgo eléctrico y la fisiología humana
Una descarga eléctrica se produce por el efecto fisiopatológico de una corriente eléctrica que atraviesa el cuerpo humano. El flujo de corriente afecta las funciones muscular, circulatoria y respiratoria, y en ocasiones provoca quemaduras graves.
El grado de riesgo de lesión para la víctima depende de la magnitud de la corriente, las partes del cuerpo por las que pasa y la duración del flujo.
La publicación IEC 60479-1 define cuatro zonas de magnitud/duración de la corriente, en cada una de las cuales se describen los efectos fisiopatológicos (véase la Figura 1) para la corriente alterna (CA).
Cualquier persona que entre en contacto con partes activas corre el riesgo de sufrir una descarga eléctrica.
La curva C1 muestra que cuando una corriente superior a 30 mA atraviesa a una persona desde una mano hasta los pies, es probable que muera, a menos que la corriente se interrumpa en poco tiempo.

3. Marco normativo y comportamiento en frecuencia
La protección contra descargas eléctricas en instalaciones eléctricas debe cumplir con las normas nacionales y los reglamentos legales.
Entre las normas IEC relevantes se incluyen las series IEC 60364, IEC 60479, IEC 60755, IEC 61008 y IEC 61009, así como la IEC 60947-2.
En España, estas normas son las que toma como referencia el REBT.
Si la corriente que fluye en el cuerpo humano no es puramente sinusoidal de 50 Hz (p. ej., CC pulsante, otras frecuencias, CC suave), los umbrales definidos en la Tabla 1 se modifican según la información proporcionada en las normas IEC 60479-1 y 60479-2.
Por ejemplo, para frecuencias superiores a 50 Hz, el umbral de fibrilación ventricular se modifica según los valores de la siguiente tabla.

4. Nuevos desafíos: cargas complejas y variadores
En algunas aplicaciones, la carga conectada a la instalación eléctrica de CA puede generar corrientes residuales más complejas.
Por ejemplo, incluso en una instalación eléctrica de CA de 50 Hz, la corriente residual puede contener un componente de CC uniforme, frecuencias superiores a 50 Hz o una combinación de ambas.

En el sector industrial, la más típica de estas aplicaciones serían los motores alimentados por un variador trifásico, y también podríamos considerar equipos de alimentación para vehículos eléctricos (VE) o inversores fotovoltaicos.
Estas aplicaciones requieren un dispositivo de corriente residual (RCD) específico, que garantiza la protección en caso de que la corriente residual presente dicha forma de onda.
Este RCD (interruptor diferencial) en particular se define como Interruptor Diferencial de tipo B y cumple con la norma internacional IEC 62423.
5. Tipos de interruptores diferenciales
5.1. Del AC al A
TIPO AC
Detecta solo corrientes de fuga de Corriente Alterna Sinusoidal.
En algunos países no están autorizados (p.e. Alemania) y en otros se está estudiando su uso (por ejemplo, en España).
Equipos/líneas que producen este tipo de corrientes de fuga:
- Cargas resistivas.
- Cargas reguladas por tiristores: reguladores luminosidad, soldadura arco…

- A nivel industrial es difícil encontrar solo cargas de este tipo.
TIPO A
Detectan corrientes residuales de Corriente Continua Pulsantes además de las corrientes residuales de CA sinusoidal.
Además de los tipos de circuitos 1 a 3 vistos anteriormente, se usan para este tipo de circuitos:
- Reguladores de luz, máquinas de soldar.
- Fuentes de alimentación: TV, ordenador, microondas…
Su uso es recomendado en aquellos circuitos eléctricos específicos donde se prevé conectar equipos eléctricos que puedan generar este tipo de defectos.

En la industria disponemos de gran número de este tipo de circuitos (fuentes de alimentación, electrónica…).
5.2. Tipo F: protección para frecuencias mixtas
TIPO F
Corrientes de fuga alterna senoidal, corriente pulsante, y corriente mixta (CA+CC).
A la protección tipo A le añade:
- Protección contra corrientes alternas diferenciales compuestas hasta 1 KHz.
- Protección para corrientes diferenciales alternas superpuestas sobre una corriente continua alisada (corriente mixta ca/cc): detecta la frecuencia mixta de los variadores 1P+N como bomba de calor, aire acondicionado, lavadora, etc.
Empiezan a extenderse las aplicaciones: aunque su aplicación típica es el sector residencial.

5.3. Tipo B: el estándar para variadores trifásicos y continua
TIPO B
Además de detectar corrientes residuales de frecuencias mixtas de hasta 1KHz, se utilizan dispositivos de protección de corriente residual de tipo B para detectar corrientes residuales de CC suaves.
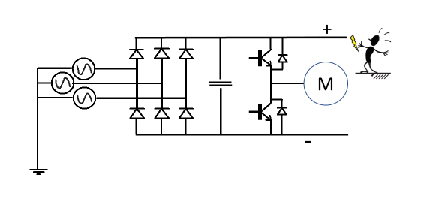
Es el caso cuando un motor es alimentado por un variador de velocidad: hay riesgo de fallo en el bus de continua, esta corriente tiene una parte de componente continua iF1.

En las corrientes de fuga, podemos encontrar formas de onda claramente no sinusoidales, así como frecuencias más altas que las de la tensión de suministro e incluso corriente continua alisada (corriente continua libre de ondulación).
Este es el caso de las corrientes de defecto que pueden producirse en instalaciones trifásicas donde existe un dispositivo con un puente rectificador de tres ramas como, por ejemplo, en un variador de velocidad de un motor trifásico.
Son capaces de proteger frente a defectos que provocan corriente continua alisada de hasta 10 mA superpuesta a la corriente diferencial alterna.
En la industria, en las líneas de alimentación de variadores de velocidad, la correcta protección de las personas debería realizarse con diferenciales Tipo B.
6. Altas frecuencias: factores claves para la continuidad de servicio y protección
El uso de equipos de potencia conmutados está ganando popularidad debido a su compacidad y ventajas en eficiencia energética.
Sin embargo, las implementaciones conmutadas generan altos niveles de dv/dt y, por lo tanto, una corriente de fuga a tierra de alta frecuencia considerable en los circuitos.
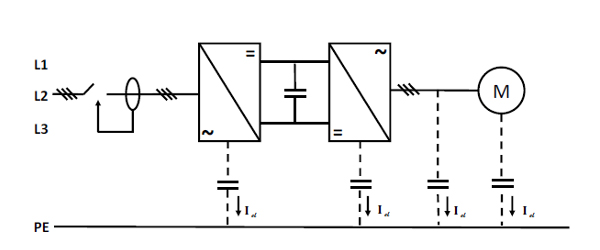
La figura siguiente muestra un ejemplo de un convertidor de potencia con variador de velocidad:

En condiciones normales de funcionamiento, la corriente de fuga de alta frecuencia fluye a través de las capacidades parásitas a tierra de los cables y los condensadores de los filtros CEM/RFI del equipo.

A medida que la impedancia de los condensadores disminuye con la frecuencia, la corriente de fuga será proporcional a la frecuencia de conmutación del convertidor para el mismo nivel de tensión:

Esta corriente de fuga a tierra capacitiva no es peligrosa porque no es energética, pero podría provocar la activación indeseada (disparo) de los dispositivos de protección diferencial (RCD).
Otro factor a considerar es la curva de frecuencia del umbral de fibrilación ventricular.
Se observa que el cuerpo humano es menos sensible a la corriente de alta frecuencia que a la frecuencia de la red, y el umbral de seguridad aumenta considerablemente a mayor frecuencia.
El umbral de disparo de los interruptores diferenciales (para las fugas de alta frecuencia) debe ser inferior a la curva/tabla marcada por la norma CEI60479-2.

Y a la vez, debe ser superior a la curva de corriente de fuga a tierra capacitiva para evitar disparos no deseados.
7. Conclusión: soluciones “superinmunizadas”
Bajo estas premisas (lograr un equilibrio entre la curva de seguridad y la curva de disparo no deseado), los distintos fabricantes desarrollan interruptores diferenciales con estas prestaciones.
Los engloban bajo los adjetivos de “superinmunizados”, “superresistentes”, “ultrainmunizados”. Además, proporcionan protección contra perturbaciones transitorias de la red, sobretensiones inducidas por rayos, corrientes inducidas por rayos y ondas de radiofrecuencia (RF).
En aplicaciones industriales, dispositivos con estas características son especialmente útiles para aplicaciones caracterizadas por convertidores de modo de conmutación de alta frecuencia (como variadores de velocidad, SAI, sistemas fotovoltaicos, vehículos eléctricos, equipos médicos, fuentes de alimentación conmutadas (SMPS) y balastos electrónicos para iluminación, por ejemplo).
La elección de interruptores diferenciales con estas prestaciones y que además sean tipo B, aseguran la correcta protección de personas y mejoran la continuidad de servicio.
8. Simplifica tu elección con el Selector de Interruptores Diferenciales
Como has visto, seleccionar el diferencial adecuado no es una tarea trivial: depende del tipo de carga, la frecuencia y la naturaleza de las posibles fugas. Equivocarse en la elección puede significar paradas de producción por disparos intempestivos o, peor aún, un fallo grave de seguridad.
Para facilitarte esta tarea, en Grupo Elektra ponemos a tu disposición una herramienta digital exclusiva: el Selector de Interruptores Diferenciales.
Gracias a este asistente que puedes encontrar en nuestra web de clientes, no necesitas memorizar catálogos infinitos. Puedes filtrar rápidamente entre los más de 400 productos disponibles en nuestro catálogo online aplicando criterios técnicos precisos como:
- Fabricante (Schneider Electric, Siemens…)
- Corriente nominal y sensibilidad.
- Tipo de diferencial (A, B, F, etc.).
- Retardo y número de polos.
Encuentra la referencia exacta que garantiza la seguridad de tu instalación en cuestión de segundos.
Recuerda que para poder acceder a esta herramienta digital y al resto de asistentes y configuradores virtuales de nuestra web de clientes tienes que ser cliente de Grupo Elektra y solicitar el alta como cliente online. Si tienes dudas, consulta con tu comercial en tu punto de venta.
Y si aún no eres cliente, ¿a qué esperas para mejorar tu servicio y el rendimiento de tu día a día?








